O concreto é o material mais utilizado para realização de
construções no Brasil e no mundo. Porém, não chega a ser nem tão resistente,
nem tão tenaz quanto o aço, mas alguns fatores fazem do concreto um material
mais versátil e de maneira geral de melhor aplicação. Dentre estes fatores,
podem ser citados:
- A facilidade na produção e no manejo, uma vez que o concreto é uma substância plástica que pode ser moldada;
- Sua durabilidade e economia, sendo um material muito barato em comparação com o aço;
- A alta resistência à água, o que faz dele o material ideal para resistir à ação de intemperismos.
Com o advento da tecnologia muito se alterou no ramo da construção
civil que hoje chega a patamares nunca antes imaginados. O concreto foi
primordial para esse avanço, permitindo obras extremamente complexas por suas
características inigualáveis.
Hoje muito se acomete ao bombeamento deste material magnífico, o que
possibilita obras com mais agilidade e praticidade, reduzindo custos e prazos
finais das obras.
Vantagens do concreto bambeável:
- Agilidade na aplicação do concreto na obra. No método de lançamento de concreto convencional, utilizando carrinhos de mão ou similares pode-se chegar a um volume de 5 a 6m³/h, já no método de lançamento de concreto bambeável, os equipamentos conseguem lançá-lo em até 50m³/h;
- Racionalização da mão de obra e equipamentos (carrinhos de mão, guinchos, elevadores, etc.);
- Facilidade em vencer grandes distâncias verticais e horizontais;
- Redução relevante dos custos da obra devido ao maior volume de concreto lançado;
- Aplicação contínua do concreto evitando paralisações, causa mais comum do aparecimento das indesejáveis "juntas de concretagem".
São diversos tipos de bombas e técnicas de bombeamento que foram
desenvolvidas para permitir o melhor resultado. Dentre os tipos de bombas para
concretagem disponíveis na atualidade, temos:
- Bomba Reboque ou de Arrasto:
esses tipos de bombas de concreto são
rebocadas até a obra e necessitam da montagem de tubulações ou mangotes de 3, 4
ou 5 polegadas até o local de lançamento do concreto. São equipamentos sem o
mastro de distribuição; onde o princípio do bombeio de concreto é o mesmo
utilizado nas “Bombas Lança” e “Auto Bombas”;
- Autobomba:
É uma bomba reboque montada sobre o
chassi de um caminhão, que dispensa a necessidade de um veículo para rebocá-la.
É o tipo de bomba ideal para ser utilizada em pequenas e médias obras, como
residências, galpões comerciais e edifícios.
![]() |
| Autobomba |
- Bomba Lança:
A bomba lança é necessariamente montada
sobre um chassi de caminhão. Esse tipo de bomba de concreto possui um mastro de
distribuição que é movimentado por meio de cilindros hidráulicos. A sua
estabilização é feita por meio de braços hidráulicos que são acoplados à
carroceria do caminhão que a transporta. As bombas de última geração possuem
controle remoto sem fio, facilitando a sua operação em locais de difícil
visualização do serviço da concretagem.
![]() |
| Bomba Lança |
De maneira geral, o mecanismo de funcionamento das bombas é basicamente o mesmo. Com dois pistões funcionando alternadamente, ocorre a admissão do concreto no sistema e em seguida compressão do material para que o mesmo percorra a tubulação sem obstuções. Como exposto à seguir:
![]() |
| Admissão e compressão do concreto no sistema de bombeamento |
![]() |
| Esquema de funcionamento da bomba com pistões alternados |
Um grande marco para engenharia civil foi a construção do edifício
Burj Khalifa em Dubai, o mais alto do planeta. A execução da obra foi marcada pela
quebra de diversos recordes mundias, sendo um deles o de maior transporte
vertical de concreto, onde a empresa alemã especializada no ramo de bombas, a
Putzmeister, em Abril de 2008 usando a BSA 14000 SHP D bombeou com sucesso o
material de alta resistência a uma altura de 606 metros.
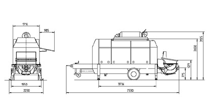
A Bomba Reboque BSA 14000 SHP D da Putzmeister é utilizada para
bombear e aplicar argamassas e concreto em distâncias. Sua vazão varia entre 36
e 71 m³ por hora através do Tubo S-2015D. Com saída de seis polegadas de
diâmetro, a mistura é projetada com pressão de 220 bar. A caçamba do
equipamento tem capacidade volumétrica de 600 litros e é abastecida em altura
de 1.300 mm. O motor a diesel da bomba, fabricado pela Caterpillar, tem 630
cavalos de potência. Seu peso é de 11.000 kg.
![]() |
BSA 14000 SHP-D
|
A empresa, durante a construção do empreendimento, contava
com duas bombas BSA 14000 SHP D e uma
bomba BSA 14000 HP-D, garantido o máximo de desempenho.
![]() |
| Bombas em operação na execução da Burj Khalifa |
![]() |
| Bombas em operação na execução da Burj Khalifa |
Além de quatro bombas
estacionarias, sendo três MX 28-4 T e um MX 32-4 T que, em conjunto com as
bombas, bombearam em 32 meses de uso uma valor aproximado de 160.000 m3 de
concreto.
As bombas estacionarias usadas, os modelos MX da
Putzmeister, eram controladas por controle remoto e deram á fase de construção
do empreendimento, uma vasta área de concretagem, resultando em agilidade, no
processo construtivo. O modelo MX 28-4 T usado, devido sua estrutura
articulada, proporcionava movimentos em
diversos ângulos, com um alcance máximo horizontal de 27,7 metros. O segundo
modelo usado, a MX 32-4T segue os mesmos princípios da MX 28-4T, porém seu
alcance máximo horizontal é 31,8 metros.
![]() |
| Ilustração MX 32-4T putzmeister |
![]() |
| Ilustração MX 28-4T putzmeister |











Nenhum comentário:
Postar um comentário